Distributore Z80 GRANIT 87001347 | 1 SE (EW) | 80 l/min

Distributore Idraulico Monoblocco GRANIT Z80 | 1x Semplice Effetto (EW) | 80 l/min | 250 bar

Granit
87001347

Distributore Idraulico a 1 Leva 80 Litri GRANIT 87001347 (Semplice Effetto e Centro Chiuso)

Disponibilità limitata! 2 Disponibilità limitata: ancora pochi pezzi.
110,00 €
Tasse incluse
Quantità

Ultimi articoli in magazzino
  Politiche per la sicurezza

Acquisti Sicuri. Dati protetti con crittografia. La tua privacy è la nostra priorità!

  Politiche per le spedizioni

Spedizioni Veloci e Affidabili. Ordini consegnati con cura. Varie opzioni.

  Pagamenti Sicuri

Pagamenti sicuri! Transazioni protette da crittografia. La tua sicurezza è garantita.

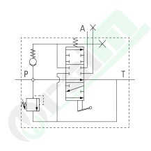
Il distributore idraulico GRANIT 87001347 della serie Z80 è una valvola monoblocco direzionale 4/3 vie, adatta per il controllo di un cilindro a semplice effetto (EW). In posizione neutra (centro), la porta A è chiusa (A chiuso) e la leva ritorna a molla. Trattandosi di un'applicazione a semplice effetto, la porta B non viene utilizzata. La valvola ha un centro chiuso, bloccando il flusso principale P in posizione neutra, ed è realizzata in ghisa di acciaio. È adatta per una pressione nominale di 250 bar e una portata massima di 80 l/min.

Specifiche Funzionali e Idrauliche

  • Versione: 4/3 vie, 1 x semplice effetto (A chiuso / ritorno a molla).
  • Funziona leva: 1 x semplice effetto.
  • Portata (l/min): 80.
  • PN (Pressione Nominale): 250 bar.
  • Pressione di esercizio nominale P - N (Alimentazione-Scarico): 250 bar.
  • Pressione di esercizio nominale A - B (Utenze): 300 bar.
  • Portata nominale T (Serbatoio): 50 bar.
  • Perdita interna: circa 18 cm³/min a 120 bar.
  • Temperatura dell'olio: -15° C fino a +80°C.
  • Livello di impurità: 10 secondo NAS1638.

Dati Tecnici e Strutturali

  • Codice Prodotto: 87001347.
  • Rif. Orig.: 01Z80 C1 GKZ1.
  • Leva: 1.
  • Versione: valvola monoblocco ghisa di acciaio.
  • Raccordo P (Alimentazione, BSP): G 1/2".
  • Raccordo T (Serbatoio, BSP): G 3/4".
  • Raccordo N (Alimentazione/Scarico, BSP): 3/4" BSP (dalla descrizione del prodotto).
  • Raccordo A-B (Utenze, BSP): G 1/2". (Porta B non utilizzata per semplice effetto).

Dimensioni (mm)

Dati dimensionali per l'installazione:

  • A: 65 mm.
  • B: 80 mm.
  • C: 107 mm.
  • D: 65 mm.
: 87001347
Disponibilità limitata! 2 Disponibilità limitata: ancora pochi pezzi.

Spedizione rapida e sicura: ogni ordine viene accuratamente imballato per garantire che il prodotto arrivi integro e in condizioni perfette.
Collaboriamo con corrieri affidabili per offrire un servizio efficiente, tracciabile e puntuale.
Riceverai un link per seguire la spedizione in ogni fase, fino alla consegna.
Utilizziamo materiali protettivi di qualità e, ove possibile, imballaggi eco-friendly.
La nostra priorità è che il tuo acquisto arrivi senza sorprese, pronto all’uso.

14 altri prodotti nella stessa categoria: